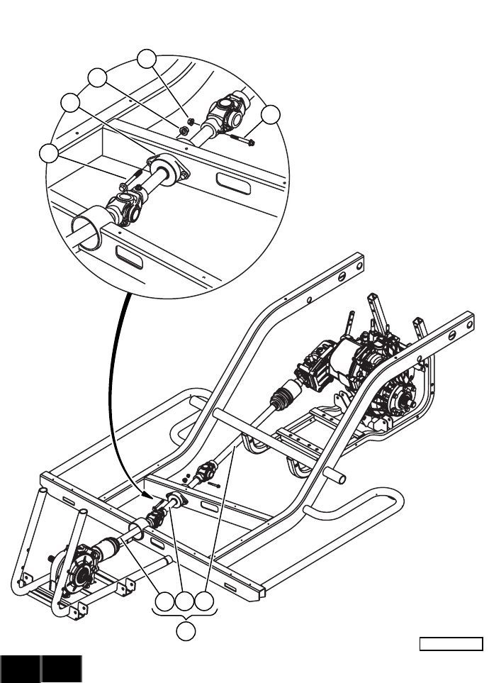
Product Description Specifications Mfg. Part Number 103416801 103568701 - OPEN DIFFERENTIAL KIT- HILLIARD Manufacturer: Club Car